鐵にはめっぽう強い会社です。鐵のことならなんでもご相談ください。
ホーム
サイトマップ
事業案内
キヨシゲの強み
販売事業
加工業務
資源循環業務
加工例紹介
加工例紹介TOP
タレットパンチプレス
各種プレス機
ベンダー
レーザー加工機
ユニットワーカー
オートドリルソー
溶 接
根本製作所 厚板加工
保有設備一覧
会社情報
企業マインド
会社概要
沿革
アクセスマップ
社内環境
ISO認証取得
環境への取り組み
創業回顧録
リクルート
リクルートTOP
当社を志望される方へ
若手社員力一杯
中堅社員力一杯
ベテラン社員力一杯
募集要項
エントリーフォーム
お問い合わせ
事業案内
キヨシゲの強み
販売事業
加工業務
資源循環業務
加工例紹介
加工例紹介TOP
タレットパンチプレス
各種プレス機
ベンダー
レーザー加工機
ユニットワーカー
オートドリルソー
溶接
根本製作所 厚板加工
保有設備一覧
会社概要
企業マインド ごあいさつ
会社概要
沿革
アクセスマップ
社内環境
ISO認証取得
環境への取組
創業回顧録
リクルート
リクルートTOP
当社を志望される方へ
若手社員力一杯
中堅社員力一杯
ベテラン社員力一杯
募集要項
エントリーフォーム
お問い合わせ
プライバシーポリシー
サイトマップ
Vietnamese Site
株式会社キヨシゲ
Menu
事業案内
ソリューション業務
資源循環業務
加工業務
建材
■在庫品
目板No.128
ドア目板
1.6mm 4,300mm
2,200mm
目板No.135
ドア目板
1.6mm 2,200mm
2,200mm
62A
網戸骨
1.6mm 2,200mm
2,200mm
62
網戸骨
1.6mm 2,100mm
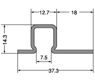
12×15
押ブチ
1.6mm 2,200mm
戻る
HOME
ソリューション事業
建材